2026

Hybrid-2D excitonic metasurfaces for complex amplitude modulation
Tom Hoekstra, Mark L. Brongersma, and Jorik van de Groep
Nano Letters 26, xxx (2026)
[Supplementary Information]

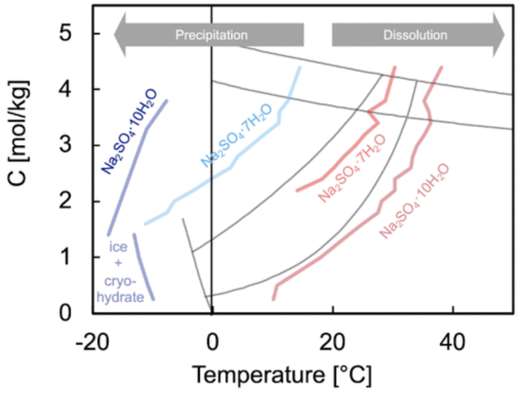
Metastability limit of hydrated phases of sodium sulfate under temperature cycling for heat storage
Anne Claude, Jorik van de Groep, and Noushine Shahidzadeh
Journal of Physical Chemistry C 130, 3721 (2026)
[Supplementary Information] [replication package]

Electrically tunable strong coupling in a hybrid-2D excitonic metasurface for optical modulation
Tom Hoekstra and Jorik van de Groep
Light Science & Applications 15, 28 (2026)
[IoP news item]
[Supplementary Information] [replication package]
2025

Photonics in flatland: challenges and opportunities for Nanophotonics with 2D semiconductors
*see PDF for full author list
npj Nanophotonics 2, 44 (2025)

Nonlocal mechano-optical metasurfaces
Freek van Gorp, Wenfeng Liu, Corentin Coulais, and Jorik van de Groep
ACS Photonics 12, 5978 (2025)
[Supplementary Information] [replication package] [IoP news item]

Dynamic excitonic beam switching with atomically-thin binary blazed gratings
Ludovica Guarneri, Thomas Bauer, Qitong Li, Jung-Hwan Song, Skyler Selvin, Ashley P. Saunders, Fang Liu, Mark L. Brongersma, and Jorik van de Groep
Advanced Optical Materials 13, 2403257 (2025)
[Supplementary Information] [replication package]

Roadmap for photonics with 2D materials
*see PDF for full author list
ACS Photonics 12, 3961 (2025)

High-NA 2D image edge detection using Tamm plasmon polaritons in few-Layer stratified media
Bernardo S. Dias and Jorik van de Groep
ACS Photonics 12, 311 (2025)
[Supplementary Information] [replication package] [IoP news item]
2024

Temperature-dependent excitonic light manipulation with atomically thin optical elements
Ludovica Guarneri, Qitong Li, Thomas Bauer, Jung-Hwan Song, Ashley P. Saunders, Fang Liu, Mark L. Brongersma, and Jorik van de Groep
Nano Letters 24, 6240 (2024)
[Issue Cover] [NTvN highlight] [IoP news item] [Optics & Photonics news] [PopSci] [Supplementary Information] [Replication package]

Micrometer-sized robotic chameleons
Corentin Coulais and Jorik van de Groep
Science 386, 968 (2024)

Atmospheric exposure triggers light-induced degradation in 2D lead-halide perovskites
Gianluca Grimaldi, Imme Schuringa, Jaco J. Geuchies, Susan A. Rigter, Tom Hoekstra, Jan Versluis, Juanita Hidalgo, Juan-Pablo Correa-Baena, Jorik van de Groep, Heejae Kim, Mischa Bonn, and Bruno Ehrler
ACS Energy Letters 9, 5771 (2024)
[Supplementary Information]
2023

Impact of substrates and quantum effects on exciton line shapes of 2D semiconductors at room temperature
Jorik van de Groep, Qitong Li, Jung-Hwan Song, Pieter G. Kik, and Mark L. Brongersma
Nanophotonics 12, 3291 (2023)
[Supplementary Information] [Ellipsometry data]

A Purcell-enabled monolayer semiconductor free-space optical modulator
Qitong Li, Jung-Hwan Song, Fenghao Xu, Jorik van de Groep, Jiho Hong, Alwin Daus, Yan Joe Lee, Amalya C. Johnson, Eric Pop, Fang Liu, and Mark L. Brongersma
Nature Photonics 17, 897 (2023)
[Supplementary Information]

Multi-resonant Mie resonator arrays for broadband light trapping in ultra thin c-Si solar cells
Nayeun Lee, Muyu Xue, Jiho Hong, Jorik van de Groep, and Mark L. Brongersma
Advanced Materials 35, 2210941 (2023)
[Supplementary Information]

Nonlocal metasurface for circularly polarized light detection
Jiho Hong, Jorik van de Groep, Nayeun Lee, Soo Jin Kim, Philippe Lalanne, Pieter G. Kik, and Mark L. Brongersma
Optica 10, 134 (2023)
[Supplementary Information]

Stacking-order-dependent excitonic properties reveal interlayer Interactions in Bulk ReS2
Marco van der Laan, Edwin Heemskerk, Floris Kienhuis, Nella Diepeveen, Deepika Poonia, Sachin Kinge, Minh Triet Dang, Van An Dinh, Laurens D.A. Siebbeles, A. Isaeva, Jorik. van de Groep, and Peter Schall
ACS Photonics 10, 2994 (2023)
[Supplementary Information]

Ultrafast wavefront shaping via space-time refraction
Qingyuan Fan, Amr Shaltout, Jorik van de Groep, Mark L. Brongersma, and Aaron M. Lindenberg
ACS Photonics 10, 2467 (2023)
[Supplementary Information]
2022

Exciton resonances for atomically-thin optics
Jason Lynch, Ludovica Guarneri, Deep Jariwala, and Jorik van de Groep
Journal of Applied Physics 132, 091102 (2022)

Metasurface optofluidics for dynamic control of light fields
Qitong Li, Jorik van de Groep, Adam K. White, Jung-Hwan Song, Scott A. Longwell, Polly M. Fordyce, Stephen R. Quake, Pieter G. Kik, and Mark L. Brongersma
Nature Nanotechnology 17, 1097 (2022)
[Supplementary Information]

Passive radiative cooling of silicon solar modules with photonic silica microcylinders
Evelijn Akerboom, Tom Veeken, Christoph Hecker, Jorik van de Groep, and Albert Polman
ACS Photonics 9, 3831 (2022)
[Supplementary Information]

Tuning material properties via disorder: from crystalline alloy to metallic glass
Alessandro Troglia, Victor Vollema, Silvia Cassanelli, Erik van Heumen, Jorik van de Groep, Anne de Visser, Roland Bliem
Materials Today Physics 29, 100839 (2022)
[Supplementary Information]

Directional quantum dot emission by soft-stamping on silicon Mie resonators
Tom Veeken, Benjamin Daiber, Harshal Agrawal, Mark Aarts, Esther Alarcón-Lladó, Erik C. Garnett, Bruno Ehrler, Jorik van de Groep, and Albert Polman
Nanoscale Advances 4, 1088 (2022)
[Supplementary Information]

Microscopic proof of photoluminescence from mechanochemically synthesized 1-octene-capped quantum-confined silicon nanoparticles: implications for light-emission applications
Ankit Goyal, Marco van der Laan, Alessandro Triglia, Min Lin, Harshal Agarwal, Jorik van de Groep, Roland Bliem, Jos M.J. Paulusse, Peter Schall, and Katerina Newell
ACS Omega 7, 24881 (2022)
[Supplementary Information]
2021

Nonlocal metasurface for spectrally decoupled wavefront manipulation and eye tracking
Jung-Hwan Song, Jorik van de Groep, Soo Jin Kim, and Mark L. Brongersma
Nature Nanotechnology 16, 1224 (2021)
[Supplementary Information]

Structural color from a coupled nanowire pair beyond the bonding and antibonding model
Qitong Li, Tong Wu, Jorik van de Groep, Philippe Lalanne, and Mark L. Brongersma
Optica 4, 464 (2021)
[Supplementary Information]

Een nanolens met een aan-uitschakelaar
Jorik van de Groep en Marcel Vonk
Nederlands Tijdschrift voor Natuurkunde (Februari 2021)

Nanoelectromechanical modulation of a strongly-coupled plasmic dimer
Jung-Hwan Song, Søren Raza, Jorik van de Groep, Ju-Hyong Kang, Qitong Li, Pieter G. Kik, and Mark L. Brongersma
Nature Communications 12, 48 (2021)
[Supplementary Information]

High-performance p–n junction transition metal dichalcogenide photovoltaic cells enabled by MoOx doping and passivation
Koosha Nassiri Nazif, Aravindh Kumar, Jiho Hong, Nayeun Lee, Raisul Islam, Connor J. McClellan, Ouri Karni, Jorik van de Groep, Tony F. Heinz, Eric Pop, Mark L. Brongersma, and Krishna C. Saraswat
Nano Letters 21, 3443 (2021)
[Supplementary Information]

Band-gap tunability in partially amorphous silicon nanoparticles using single-dot correlative microscopy
Chia-Ching Huang, Yingying Tang, Marco van der Laan, Jorik van de Groep, A Femius Koenderink, and Kateřina Dohnalová
ACS Applied Nano Materials 4, 288 (2021)
[Supplementary Information]
2020

Exciton resonance tuning of an atomically thin lens
Jorik van de Groep, Jung-Hwan Song, Umberto Celano, Qitong Li, Pieter G. Kik, and Mark L. Brongersma
Nature Photonics 14, 426 (2020)
[IoP news item] [Nature Photonics News & Views] [Supplementary Information]

High quality factor phase gradient metasurfaces
Mark Lawrence, David R. Barton, Jefferson Dixon, Jung-Hwan Song, Jorik van de Groep, Mark L. Brongersma, and Jennifer A. Dionne
Nature Nanotechnology 15, 956 (2020)
[Supplementary Information]

Direct laser writing of volumetric gradient index lenses and waveguides
Christian R. Ocier, Corey A. Richards, Daniel A. Bacon-Brown, Qing Ding, Raman Kumar, Tanner J. Garcia, Jorik van de Groep, Jung-Hwan Song, Austin J. Cyphersmith, Andrew Rhode, Andrea N. Perry, Alexander J. Littlefield, Jinlong Zhu, Dajie Xie, Haibo Gao, Jonah F. Messinger, Mark L. Brongersma, Kimani C. Toussaint Jr., Lynford L. Goddard, and Paul V. Braun
Light: Science & Applications 9, 196 (2020)
[Supplementary Information]
2019

Dynamic tuning of gap plasmon resonances using a solid-state electrochromic device
Yiyang Li*, Jorik van de Groep*, Alec A. Talin, and Mark L. Brongersma (*equal contribution)
Nano Letters 19, 7988 (2019)
[Supplementary Information]

Transparent multispectral photodetectors mimicking the human visual system
Qitong Li, Jorik van de Groep, Pieter G. Kik, and Mark L. Brongersma
Nature Communications 10, 4982 (2019)
[Supplementary Information]

Antireflection high-index metasurfaces combining Mie and Fabry-Pérot resonances
Andrea Cordaro, Jorik van de Groep, Søren Raza, Emanuele Francesco Pecora, Francesco Priolo, and Mark L. Brongersma
ACS Photonics 6, 453 (2019)
[Supplementary Information]

Spatiotemporal light control with frequency-gradient metasurfaces
Amr Shaltout, Konstantinos G. Lagoudakis, Jorik van de Groep, Soo Jin Kim, Jelena Vučković, Vladimir M. Shalaev, and Mark L. Brongersma
Science 365, 374 (2019)
[Supplementary Information]

Probing the band structure of topological silicon photonic lattices in the visible spectrum
Siying Peng, Nick J. Schilder, Xiang Ni, Jorik van de Groep, Mark L. Brongersma, Andrea Alù, Alexander B. Khanikaev, Harry A. Atwater, and Albert Polman
Physical Review Letters 122, 117401 (2019)
[Supplementary Information]
2018

Metasurface mirrors for external control of Mie resonances
Jorik van de Groep and Mark L. Brongersma
Nano Letter 18, 3857 (2018)
[Supplementary Information]

Reversible and selective ion intercalation through the top surface of few-layer MoS2
Jinsong Zhang, Ankun Yang, Xi Wu, Jorik van de Groep, Peizhe Tang, Shaorui Li, Bofei Liu, Feifei Shi, Jiayu Wan, Qitong Li, Yongming Sun, Zhiyi Lu, Xueli Zheng, Guangmin Zhou, Chun-Lan Wu, Shou-Cheng Zhang, Mark L. Brongersma, Jia Li, and Yi Cui
Nature Communications 9, 5289 (2018)
[Supplementary Information]

Spatially controlled doping of two-dimensional SnS2 through intercalation for electronics
Yongji Gong, Hongtao Yuan, Chun-Lan Wu, Peizhe Tang, Shi-Ze Yang, Ankun Yang, Guodong Li, Bofei Liu, Jorik van de Groep, Mark L. Brongersma, Matthew F. Chisholm, Shou-Cheng Zhang, Wu Zhou, and Yi Cui
Nature Nanotechnology 13, 294 (2018)
[Supplementary Information]
2017

Concepts for external light trapping and its utilization in colored and image displaying photovoltaic modules
Lourens van Dijk, Jorik van de Groep, Leon W. Veldhuizen, Marcel Di Vece, and Ruud E. I. Schropp
Progress in Photovoltaics 25, 553 (2017)
2016

Direct imaging of hybridized eigenmodes in coupled silicon nanoparticles
Jorik van de Groep, Toon Coenen, Sander A. Mann, and Albert Polman
Optica 3, 93 (2016)
[Supplementary Information]

Thermodynamic theory of the plasmoelectric effect
Jorik van de Groep, Matthew T. Sheldon, Harry A. Atwater, and Albert Polman
Scientific Reports 6, 23283 (2016)
[Supplementary Information]

Solution‐grown silver nanowire ordered arrays as transparent electrodes
Beniamino Sciacca, Jorik van de Groep, Albert Polman, and Erik C. Garnett
Advanced Materials 28, 905 (2016)
[Supplementary Information]

Soft imprinted Ag nanowire hybrid electrodes on silicon heterojunction solar cells
Mark W. Knight, Jorik van de Groep, Paula C. P. Bronsveld, Wim C. Sinke, and Albert Polman
Nano Energy 30, 398 (2016)
[Supplementary Information]

Exploration of external light trapping for photovoltaic modules
Lourens van Dijk, Jorik van de Groep, Marcel Di Vece, and Ruud E. I. Schropp
Optics Express 24, A1158 (2016)

Planar metal/dielectric single-periodic multilayer ultraviolet flat lens
Ruben Maas, Jorik van de Groep, and Albert Polman
Optica 3, 592 (2016)
[Supplementary Information]

Metal-insulator-semiconductor nanowire network solar cells
Sebastian Z. Oener, Jorik van de Groep, Bart Macco, Paula C.P. Bronsveld, W.M.M. Kessels, Albert Polman, and Erik C. Garnett
Nano Letters 16, 3689 (2016)
[Supplementary Information]

Plasmonic scattering back reflector for light trapping in flat nano-crystalline silicon solar cells
Lourens van Dijk, Jorik van de Groep, Leon W. Veldhuizen, Marcel Di Vece, Albert Polman, and Ruud E. I. Schropp
ACS Photonics 3, 685 (2016)
[Supplementary Information]

Controlling magnetic and electric dipole modes in hollow silicon nanocylinders
Marie Anne van de Haar, Jorik van de Groep, Benjamin J.M. Brenny, and Albert Polman
Optics Express 24, 2047 (2016)
2015

Single-step soft-imprinted large-area nanopatterned antireflection coating
Jorik van de Groep, Pierpaolo Spinelli, and Albert Polman
Nano Letters 15, 4223 (2015)
[Supplementary Information]

Large-area soft-imprinted nanowire networks as light trapping transparent conductors
Jorik van de Groep, Dhritiman Gupta, Marc A. Verschuuren, Martijn M. Wienk, Rene A.J. Janssen, and Albert Polman
Scientific Reports 5, 11414 (2015)
[Supplementary Information]
2014

Plasmoelectric potentials in metal nanostructures
Matthew T. Sheldon, Jorik van de Groep, Ana M. Brown, Albert Polman, and Harry A. Atwater
Science 346, 828 (2014)
[Supplementary Information]
2013

Designing dielectric resonators on substrates: Combining magnetic and electric resonances
Jorik van de Groep and Albert Polman
Optics Express 21, 26285 (2013)

Resonant modes of single silicon nanocavities excited by electron irradiation
Toon Coenen*, Jorik van de Groep*, and Albert Polman (*equal contribution)
ACS Nano 7, 1689 (2013)
2012

Transparent conducting silver nanowire networks
Jorik van de Groep, Pierpaolo Spinelli, and Albert Polman
Nano Letters 12, 3138 (2012)

Plasmonic light trapping in thin-film Si solar cells
Pierpaolo Spinelli, Vivian E. Ferry, Jorik van de Groep, M. Claire van Lare, Marc A. Verschuuren, Ruud E.I. Schropp, Harry A. Atwater, and Albert Polman
Journal of Optics 14, 024002 (2012)
2011

Microphotonic parabolic light directors fabricated by two-photon lithography
Jackson H. Atwater, Pierpaolo Spinelli, Emily Kosten, James Parsons, M. Claire van Lare, Jorik van de Groep, Javier Garcia de Abajo, Albert Polman, and Harry A. Atwater
Applied Physics Letter 99, 151113 (2011)

Rate of runaway evaporative cooling
Jorik van de Groep, Peter van der Straten, and Johnny M. Vogels
Physical Review A 84, 033628 (2011)